Артикул:
К 025-10
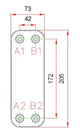
Теплообменник пластинчатый паяный К025-10M-G4, нерж, сталь, макс.+200*С, 30бар. вход/выход 3/4"
Подробности
Розничная цена
11 760 ₽/шт
Интернет цена
11 200 ₽/шт
В наличии: 1
В корзину
Самовывоз сегодня - бесплатно
Доставка в другие города уточните у менеджера
Доставка в другие города уточните у менеджера
Интернет цена действует только для физических лиц, при условий ОНЛАЙН ОПЛАТЫ на сайте!
Интернет цена действует для физических лиц при оформлении покупки или заказа на сайте
Цены на неоплаченные заказы действуют в течении рабочего дня. ПОДРОБНЕЕ ➠
Описание
Характеристики K025*10M-G4
Тип теплообменника: Пластинчатый
Чистота сред: Чистая вода
Площадь теплопередачи: 0,36м2
Высота: 208мм.
Ширина: 75мм.
Толщина: без трубок 30мм, общая 53мм
Вес: 1,68кг
Марка: серия К
Тип теплообменника: Пластинчатый
Чистота сред: Чистая вода
Площадь теплопередачи: 0,36м2
Высота: 208мм.
Ширина: 75мм.
Толщина: без трубок 30мм, общая 53мм
Вес: 1,68кг
Марка: серия К
